"فیلتر سینوسی" در واقع یک فیلتر پایین گذر LC می باشد که تنها فرکانس های پایین را عبور داده و شکل موج مربعی PWM حاصل از عملکرد اینورتر و درایو را به سینوسی بدون ریپل تبدیل می نماید. استفاده از فیلتر موج سینوسی در نتیجه باعث تبدیل شکل موج ولتاژ به ولتاژ فاز به فاز سینوسی هموار شده و دیگر نیازی به استفاده از موتور با عایق بندی تقویت شده نیست. همچنین صدای موتور نیز به دلیل موج سینوسی هموار کاهش می یابد. فیلتر سینوسی همچنین باعث کاهش تنش عایقی و جریان های سرگردان در موتور شده و نتیجتا طول عمر موتور افزایش می یابد. فیلترهای سینوسی باعث افزایش طول کابل موتور در فاصله درایو یا اینورتر در پروژه هایی که فاصله درایو تا موتور زیاد است خواهد شد اما باید به این امر دقت نمود که فیلتر اصلاحی در جریان و لتاژ فاز و زمین انجام نمیدهد و بنابر این نمی تواند جریان نشتی کابل را کاهش دهد و این امر طول کابل را محدود می نماید. در شکل زیر شکل موج ولتاژ و جریان را با و بدون فیلتر سینوسی مشاهده می نمایید:

فیلترهای سینوسی به دو تیپ تقسیم بندی می شوند تیپ اول فیلتر سینوسی مود دیفرانسیلی (Differential mode sine wave filter) و تیپ دوم فیلتر سینوسی پلاس مود مشترک و دیفرانسیلی (differential and common mode) که در ادامه به بررسی آنها خواهیم پرداخت.
فیلتر مود دیفرانسیلی به طور مستقیم به درایو موتور متصل می شوند و استفاده از آنها دارای مزایای زیر است :
- حفاظت از عایق سیم پیچی موتور در برابر اسپایک های dv/dt و سرج های ولتاژ و همچنین اضافه ولتاژ
- کاهش تلفات تجمیعی مغناطیسی و تلفات ناشی از جریان گردابی (eddy current) در موتور
- کاهش دما و حرارت داخلی موتور
- کاهش تلفات درایو و سیستم کنترلی موتور
- کاهش جریان یاتاقان های موتور ناشی از جریان های سرگردان
- کاهش نویز اکوستیک موتور
- کاهش تششع الکترومغناطیسی و ایجاد ناسازگاری EMC در کابل های متصل به موتور
همچنین در موارد زیر به شدت استفاده از فیلتر سینوسی مود دیفرانسیلی توصیه می شود :
- کاربردهایی که طول کابل موتور بیشر از 100 متر باشد
- در مواقع استفاده از موتورهای 600VAC/60HZ یا 690VAC/50Hz حتی در مواقعی که طول کابل کوتاه باشد
- استفاده از فیلتر سینوسی مود دیفرانسیلی در خروجی درایوهایی با کنترل چند موتور بصورت موازی
- در مواقعی که یک موتور LV ، یک موتور MV را از طریق ترانسفورماتور step-up تغذیه می نماید.
- جهت افزایش قابلیت اطمینان و ایمنی عملکردی کلی سیستم
فیلترهای مود دیفرانسیلی را می توان در بسیاری از کاربردهای صنعتی بعنوان یک راه حل نتیجه بخش و اقتصادی در نظر گرفت. شرکت الکتروتوان بعنوان ارایه دهنده و سازنده انواع فیلتر سینوسی بصورت سفارشی و با در نظر گرفتن تمامی شرایط پروژه ، افتخار دارد فیلتر سینوسی مود مشترک با بهترین کیفیت و اقتصادی ترین قیمت تولید نماید. شکل زیر شماتیک محل نصب فیلتر سینوسی نشان داده شده است:

در فیلترهای سینوسی مقدار ریپل ولتاژ در خروجی فیلتر با تنظیم مقادیر L و C داخل فیلتر ، قابل تنظیم خواهد بود. نسبت بهینه سلف و خازن که هم اقتصادی باشد و هم شرایط فنی را اغنا کند در مقدار ریپل 3 تا 5 درصد بدست می آید. شکل زیر دیاگرام مداری فیلتر سینوسی مود دیفرانسیلی را نشان می دهد :

در بسیاری از مواقع می بایست هم اغتشاشات مود مشترک و هم مود دیفرانسیلی را در خروجی درایو یا اینورتر در نظر داشت . در موارد زیر می توان از فیلتر سینوسی پلاس استفاده نمود :
- آسیب شدید به یاتاقان های موتور که ناشی از جریان مود مشترک می باشد (جریان شفت موتور)
- جریان های پارازیتیک ارت
- برای جلوگیری کردن از شیلدینگ کابل های موتور (بعنوان مثال برای نصب مجدد)
- موتورهایی که پیش شرط عایقی مورد نیاز برای کار با یک درایو را نداشته باشند ( بعنوان مثال برای نصب مجدد)
- محدود بدون امکان استفاده از ماکزیمم کابل برای فاصله درایو تا موتور
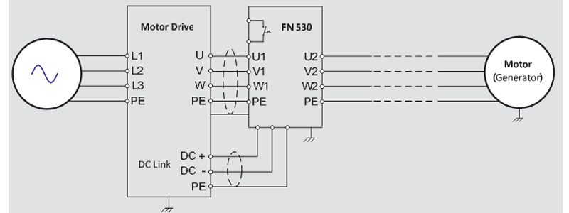
فیلتر سینوسی پلاس یک ماژول بسیار پیشرفته و خاص است که توسط شرکت شافنر (SCHAFFNER) برای اولین بار در جهان ارایه شده است و در حال حاضر در بازارهای جهانی به عنوان محصولی یونیک شناخته می شود. این ماژول متشکل از یک فیلتر سینوسی دیفرانسیلی سنتی (متقارن) و یک فیلتر سینوسی مود مشترک (نامتقارن) بوده و می توان آن را بر اساس نیاز بصورت سفارشی ترکیب نمود. از طریق مدارهای داخلی کاملا نوآورانه و پیشرفته و همچنین با یک اتصال اضافی به لینک DC ، ماژول فیلتر سینوسی پلاس قادر است تداخلات الکترومغناطیسی مود مشترک را مستقیما به محل اصلی خود که از آنجا نشات گرفته است منتقل نماید. در شکل زیر یک ست از موتور و درایو و دو عدد فیلتر سینوسی برای دو حالت مود مشترک و دیفرانسیلی نشان داده است :

در شکل بالا یک عدد فیلتر سینوسی مود دیفرانسیلی (FN5040 ، FN5045 و FN 5040HV ) و یک عدد فیلتر سینوسی مود مشترک FN5030 با لینک DC به درایو موتور متصل شده است. اما در شکل زیر اتصال یک عدد فیلتر سینوسی پلاس FN 530 را به جای دو عدد فیلتر ملاحظه می فرمایید.

باید توجه داشت هنگام استفاده از فیلتر در خروجی اینورتر و درایو ، جهت کاسته نشدن از اثرات فیلتر در خصوص سازگاری EMC ، حذف نویز های EMI و تداخلات الکترومغناطیسی حتما می بایست به مبحث شیلدینگ کابل ها توجه نمود. در این خصوص توصیه می شود :
- کابل موجود در خروجی اینورتر و ورودی فیلتر حتما می بایست در هر سه فاز U ، Vو W محافظت شده و همان کابل مستقیما به اینورتر متصل گردد.
- کابل موتور در خروجی فیلتر در هر سه فاز U1 ، V1 و W1 نیازی به شیلدینگ و محافظت ندارد مگر اینکه شرایط نصب خاصی اعمال گردد.
- شیلدینگ باید محکم هم به اینورتر و هم محفظه فیلتر متصل گردد تا نشتی نویز EMI بوجود نیاید.
- تمام اتصالات شیلیدینگ باید بزرگترین امپدانس ممکن را داشته باشند .
[ شرکت الکتروتوان تولید کننده انواع فیلتر سینوسی اینورتر و درایو ، فیلترهای سازگاری الکترومغناطیسی EMC ، فیلترهای EMI تک فاز و سه فاز ، سه فاز با نول ، انواع فیلتر DV/dt می باشد و همگام با تکنولوژی روز دنیا فیلترهای مد نظر کارفرمایان محترم را بصورت سفارشی و یا با ملاحظات خاص ، بر اساس برند اینورتر و درایو ، طول کابل ها ، میزان تداخل الکترومغناطیسی محیط ، قدرت موتور و ... با شرایط گارانتی و قیمت بسیار بصرفه و اقتصادی تولید می نماید.]
پی نوشت ها : کاربرد فیلتر موج سینوسی ، چوک فیلتر خروجی درایو چیست؟ ، کاربرد چوک سینوسی
چوک فیلتر سینوسی سری B84143V*R227 محصول شرکت TDK ، در دو رنج ولتاژ 520 ولت (جریان 4 تا 132 آمپر) و ولتاژ 690 ولت (جریان 180 تا 320 آمپر) با فرکانس 50/60 هرتز ساخته شده است. این چوک فیلتر سینوسی که از انواع فیلترهای خروجی سینوسی برای درایو و اینورتر می باشد در شرکت الکتروتوان با کیفیتی قابل رقابت با نمونه های خارجی و گارانتی در ایران ساخته می شود .
بیشتر بخوانید
فیلتر مدل FN 5040 بر اساس استانداردهای IEC 60034-17 و NEMA-MG1 برای موتورهای با کارکرد جنرال در صنعت ساخته شده و از موتور در برابر آسیب هایی از قبیل ولتاژ dv/dt ، اضافه ولتاژ ها ، اغتشاشات و نویزهای EMI تابشی کابل ها ، افزایش بیش از حد مجاز دما و تلفات جریان گردابی محافظت می نماید.
بیشتر بخوانید
فیلتر سینوسی اینورتر سه فاز برند TDK مدل B84143V*R127 جزو فیلترهای موج سینوسی برای اینورتر و درایو می باشد . در واقع این فیلتر تنها یک فیلتر LC نیست و قادر به برقراری سازگاری الکترومغناطیسی EMC در مجموعه اینورتر و موتور با محیط صنعتی و تجهیزات دیگر نیز هست.
بیشتر بخوانید